ARMANO Instruments, Inc.
600 Century Plaza Drive
Suite C-105
Houston, Texas 77073
Phone: +1 281 982 3333
E-Mail: mail@armano-instruments.com
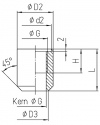
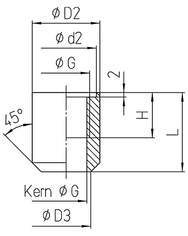
Accessories according to DIN 43 772 (data sheet 8.8201)
Welding pieces
| model | S1 |
|---|---|
| application | Welding pieces with female thread for thermometer stems and thermowells |
| connections | female thread / welding piece |
| material | stainless steel |

